Як тільки Ваш відгук пройде модерацію, ми розмістимо його на сторінці товару
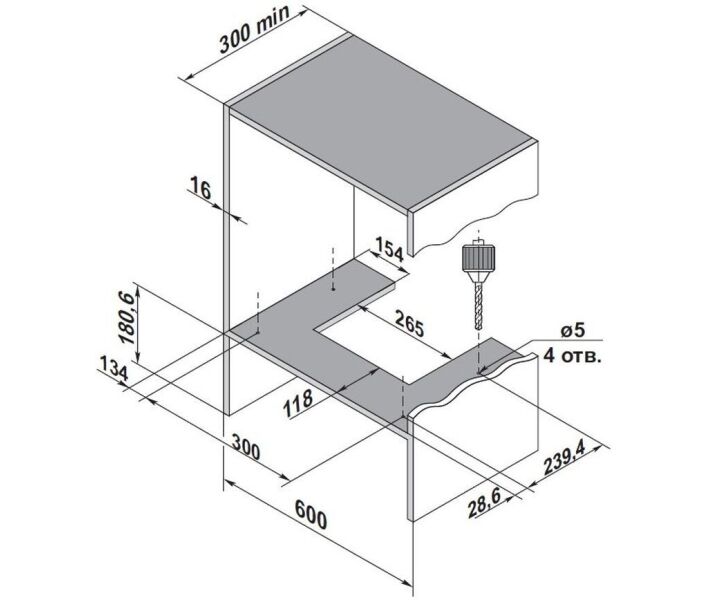
Витяжка PYRAMIDA HBE 60 (1100) M IX
🚚 Доставка
Вартість від 250 грн.
Вартість от 70 грн.
Вартість від 35 грн.
Оплата
Характеристики Витяжка PYRAMIDA HBE 60 (1100) M IX
основні характеристики
фізичні характеристики
гарантія
Інформація Витяжка PYRAMIDA HBE 60 (1100) M IX
Двигун високої продуктивності
Витяжка Pyramida HBE 60 (1100) M IX стала однією з найбільш показових Повновбудовувані моделей, яка відрізняється винятковою продуктивністю і відмінною ергономікою взаємодії. Вона максимально проста за своїм дизайном, не вимагає складних дій при монтажі, програмується на роботу всього одним-двома рухами. В основі даної конструкції мотор на 200 Вт, який забезпечує вільний забір повітря на рівні 1100 м3 / год. Така потужність дозволить встановлювати витяжку на кухнях площею близько 25 м2, де їх продуктивність буде видно навіть на такій площі.
П'ятишаровий жировий фільтр
Однією з найголовніших частин конструкції став захист двигуна алюмінієвим фільтром з перфораціями. Такий фільтр має 5 шарів металевої сітки, яка відмінно затримує жирові суспензії. За рахунок такого запобіжного шару двигун залишається в цілості, а жир не стає причиною його можливої поломки.
Три швидкості функціонування
Ви можете вибрати одну з трьох швидкостей, які підтримує пристрої, щоб приготування була максимально очищеної від запахів їжі. Рекомендується вже на самому початку включити найбільш легкий втягуючий потік, щоб він усував аромати на ранній стадії, не даючи їм розійтися по всьому простору.
Рециркуляція і відведення повітря
Підтримка двох режимів роботи, які включають в себе рециркуляцию і відведення , дозволить вам вибрати найбільш прийнятний варіант монтажу в кожному конкретному випадку - зі вбудовуванням в шахту або без такого. Комплектація зворотним клапаном дає можливість здійснити неповернення повітря назад в кімнату при відведенні. Рециркуляційний вугільний фільтр не входить до комплекту.
Світлодіодні лампи для освітлення
Щоб не брати додаткові лампи, варто звернути увагу на моделі, що мають освітлювальні елементи прямо на своєму корпусі. Дана витяжка оснащена 5 Вт лампами LED.












Моя оцінка:
* Усі відгуки проходять перевірку модераторами, тому ваш відгук з'явиться на сайті не відразу